自分の名刺キーボード作ろうかなと思い、設計することにした。表はカッチリしたまったく面白みのない名刺、裏面にキーボードとしての機能を全て集約してしまうことにした。そうなると、裏面だけですべての実装を終えたい。しかし、キーマトリクスで実装すると、本質的に行と列の概念が登場する。二層のいつもならあんなに簡単なパターン作成が、一層の今、一気に難しくなった。
このページではいくつか試作したデザインをお見せしつつ、それを不採用にした理由を軽く示し、最後に本採用に至ったデザインを紹介する。
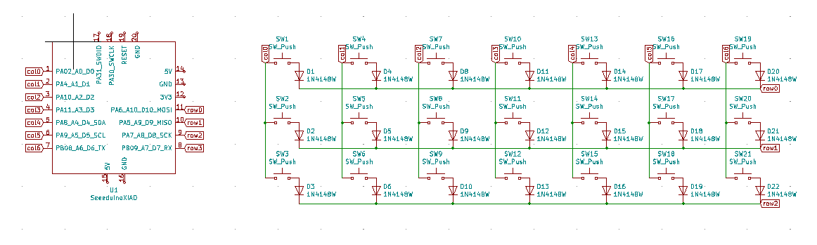
スキーマ
名刺を渡した相手が、作りたいなと思ったら気軽に作れるように、表面実装できるけど、オールインワンなマイコン開発ボードが使いたかったので、seeedのrp2040が乗ってるやつを採用した。
使えるピンの数から、3x7にした。

表面実装できるスイッチが使いたかったので、自作キーボードではリセットスイッチとしておなじみのSMDタイプのタクタイルスイッチをつけることにした。実用性はこれでサヨナラだ。
捨てたデザインたち
最初に引いたデザイン

なんとなくずらすことで1層に収めやすくなるんじゃないかなと思っていたので、各行は縦に一列に並べつつ、隣同士の行はずらし、ダイオードもスイッチ群から離すことにした。
全体的に与える印象は悪くないなと感じた。しかし、一部のスイッチの列の線が大回りになることを許せなかった(一番左側の列 ↕️ の右側の足から伸びる線)。
没。
大回りにならないデザイン
一つ目の反省から、大回りにならないデザインを引いた。

ダイオードの位置を調整していないが、概ね、悪くない。一つ目の反省をちゃんと活かしている。
ただ、なんとなく気に入らなかったので、没。
スイッチをずらしたデザイン
ここまでスイッチは比較的面白みなく配置されていたので、ひねったモノが見てみたくなったので引いたデザイン。

うん、スイッチの配置は確かにおもしろくなったし、ダイオードもなんか面白い。配置は、いい。だが配線、君はダメだ。
没。
採用案
三つ作成して、とりあえず最後のはダメだな、などと思っている間にひらめき、実際にパターンを引いてみて我ながら素晴らしいアイデアだなと思った。この記事もこれを自慢するために書いている。

このデザインのエレガントポイントを二つ紹介する。
一つ目は、大回りな配線がないこと。シンプル、それは美しい。
二つ目は、ダイオードを少しずらすことで、ダイオードの下を通って"行"の通信をしていること。最初にキーマトリクスが本質的に行と列を持っていて~だなんて話をしたが、これはその解決策の一つとしてかなり有力だと思う。
我ながら、いいデザインができた。しかしこのデザインができたのは、僕が天才だからだとかでは決してなく、ただデザインを何回も作り直したからだと思う。このデザインは二つの没案からの気づきから作成したと感じるからだ。
- 一つ目のデザインを眺めているときに、ダイオードが線をまたぐことによって、大回りな配線をしなくて済むことに気づいた。
- 二つ目のデザインから、スイッチとダイオードの位置関係を直角にすることで、配線を流しやすくすることに気づいた。
こんな話をするのは、最近読んでいるA Philosophy of Software Designに、「(ソフトウェアの)デザインはいくつか作成しなさい。」と書いてあったからだ。なるほどなと思ったのを実践したのが効いた。今回はハードウェアのデザインだけど、この考え方はハードウェア制作にも活きるのだと思う。
完成
そういうわけで、いい感じのスイッチとダイオードの配置案が決まった。さっそく名刺の形の中に収めてみた。

。。。?
なんか微妙じゃない?コンパクトに収まってるんだけど、なんかコレジャナイ感。しばらくしたところ、僕の脳内会議は、「スイッチが横に整列してるのに、ダイオードが斜めに並んでるのは変」と結論を下した。
ん~なるほど。じゃあこういうことかな?

お?いい感じじゃん?従来のデザイン通り大回りな汚い配線はない、それに、より密な感じがする。密な配線はなんか心に刺さる、いいよね。
デザインの試行錯誤はまだまだ続きそう。